|
一、概述
DDRB-N(原ZB)型多点润滑泵适用于润滑频率较低,润滑点在50点以下,公称压力为31.5MPa的多线式中小型机械设备集中润滑系统中,直接或通过单线分配器向各润滑点供送润滑脂的输送供油装置。特别适用于冶金、矿山、重机、港口运输建筑等单机设备。
二、性能参数
|
出油口数
|
公称压力Mpa
|
每口给油量ml/次
|
给油次数次/min
|
贮油容积L
|
电动机
|
重量
kg
|
|
功率(kw)
|
电压(V)
|
|
1~14
|
31.5(N)
|
1.8;3.5
5.8;10.5
|
22
|
10
30
|
0.25
|
380
|
43
|
使用介质为锥入度不低于265(25℃,150g)1/10mm的润滑脂或粘度等级大于N68的润滑油,适用于工作环境温度为-20~+80℃。
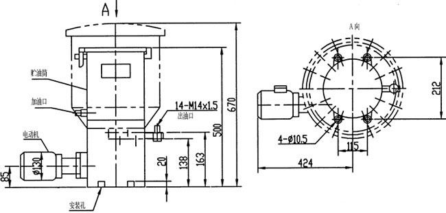
三、外形尺寸

四、型号说明

五、使用要领
1、润滑泵应安装在便于检查、调整和拆洗方便的地方,并用地脚螺钉坚固,工作场地应无有害气体的侵蚀。
2、该系列润滑泵为室内安装型,在室外和环境恶劣的场合使用时,必须采取防护措施。
3、必须使用干净的润滑脂,因为含有杂质的润滑剂往往是泵和系统产生故障的主要原因。向贮油筒内补充润滑剂必须使用加油泵从电动润滑泵补脂口加入。泵在首次充填润滑脂前,最好先加些润滑油,因为润滑油流动性好,会充满所有的部位,有利于排除空气。
4、给油口数可在1~14范围内任意选择,根据设备需要不用的压油泵元件可以自行拆下,螺孔用M20×1.5螺塞封堵即可。
5、给油量的调整,调节螺套的位置即可获得,螺套位置左移供出油量减小,螺套位置右移供出油量增大。

1—工作活塞2—控制活塞3—调节螺套4—单向阀
六、常见故障处理
|
故障现象
|
故障原因
|
排除方法
|
|
泵的输出压力升不上去
|
①压力表损坏;
②贮油器和配管中进入空气;
③单向阀失灵;
④主管路有泄漏;
⑤使用时间很长,柱塞与套过度磨损。
|
①更换新的压力表;
②排除空气;
③清洗单向阀;
④检查主管路;
⑤更换新零件。
|
|
泵的输出压力急剧上升
|
①管路阻塞;
②分配器动作不良。
|
①检查管路;
②观察分配器动作情况。
|
|