您好,欢迎启东市神舟润滑设备制造有限公司!

全国服务热线:0513-83227070

子页面大图广告
启东市神舟润滑设备制造有限公司

地址:启东市惠萍镇西侧工业园区

电话:0513-83227070
    0513-83797070

传真:0513-83223806

手机:13016796801
    13584729328

您当前的位置:首页 >> 电动润滑泵 >> DB-N(L)单线电动润滑泵(31.5MPa)
 
DB-N(L)单线电动润滑泵(31.5MPa)

 加入时间:2018-5-28 15:43:16  

一、概述

        DB-N/L (ZB)系列的多点润滑泵适用于润滑频率较低,润滑点在50点以下,公称压力为31. 5MPa的单线式中小型 机械设备集中润滑系统中,直接或通过单线分配器向各润滑点供送润滑脂的输送供油装置。

        该泵适用于冶金,矿山、港口、运输、建筑等设备。


 

二、技术参数

型   号

公称压力 MPa

额定给油量 mL/min

贮油桶容积 L

电 机

重量 kg

功率 kW

电压 V

DB-N/L25

31.5

0~25

30

0.37

380

37

DB-N/L45

0~45

39

DB-N/L50

0~50

37

DB-N/L90

0~90

39

使用介质为锥入度不低于 265(25℃,150g)1/10mm 的润滑脂或粘度等级大于 N68 的润滑油,工作环境温度为 - 20~80℃。

三、型号说明

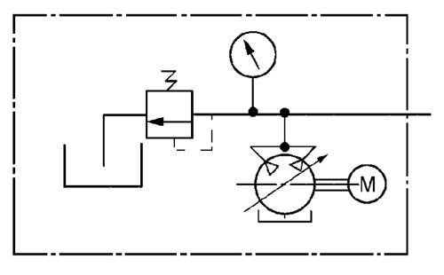
四、图形符号



 

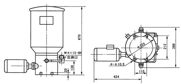
五、外形尺寸


六、使用说明
      1、多点润滑泵应安装在环境温度合适,灰尘少,便于补脂检查、维护保养等都方便的场合。
      2、向贮油器内补脂必须使用加油泵从贮油器的加油口注入,严禁揭盖加入不经过滤的工作介质。
      3、按贮油器筒壁上旋向牌规定的旋向进行电机接线,不得反转。
      4、给油口数可在1~14 范围内任意选择,根据设备需要不用的柱塞泵元件可以自行拆下,螺孔用M20×1.5螺塞封堵即可。