您好,欢迎启东市神舟润滑设备制造有限公司!

全国服务热线:0513-83227070

子页面大图广告
启东市神舟润滑设备制造有限公司

地址:启东市惠萍镇西侧工业园区

电话:0513-83227070
    0513-83797070

传真:0513-83223806

手机:13016796801
    13584729328

您当前的位置:首页 >> 管接头、高压胶管总成... >> 分配器支架
 
分配器支架

 加入时间:2018-5-22 9:20:34  

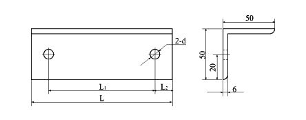
一、SSPQ-L(DW)系列支架

代 号

适用分配器

d

L

L1

L2

重量(kg)

ZT6.5.25-1

2SSPQ-L1

7

46

24

11

0.20

ZT6.5.25-2

4SSPQ-L1

63

41

0.28

ZT6.5.25-3

6SSPQ-L1

80

58

0.35

ZT6.5.25-4

8SSPQ-L1

100

78

0.42

ZT6.5.25-5

2SSPQ-L2

9

54

30

12

0.24

2SSPQ-L3

2SSPQ-L4

ZT6.5.25-6

4SSPQ-L2

86

62

0.38

4SSPQ-L3

4SSPQ-L4

ZT6.5.25-7

6SSPQ-L2 

118

94

0.52

6SSPQ-L3

6SSPQ-L4

ZT6.5.25-8

8SSPQ-L2

150

126

0.66

8SSPQ-L3

8SSPQ-L4

标记示例:分配器支架 2SSPQ-L1 ZT6.5.25-1

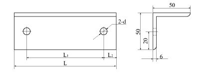
二、支架
 

代   号

L1

L

重量(kg)

ZT6.5.26-1

20

50

0.15

ZT6.5.26-2

28

65

0.19

ZT6.5.26-3

30

70

0.21

ZT6.5.26-4

42

75

0.22

标记示例:支架 20 ZT6.5.26-1

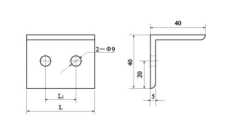
三、DSPQ-L(DV)系列支架

代 号

适用分配器

d

L

L1

L2

重量(kg)

ZT6.5.27-1

1DSPQ-L1

9

48

24

12

0.20

ZT6.5.27-2

2DSPQ-L1

77

-

38.5

0.22

ZT6.5.27-3

3DSPQ-L1

53

29

12

0.33

ZT6.5.27-4

4DSPQ-L1

82

58

0.35

ZT6.5.27-5

1DSPQ-L2

54

30

0.23

ZT6.5.27-6

2DSPQ-L2

85

61

0.36

ZT6.5.27-7

3DSPQ-L2

116

92

0.50

ZT6.5.27-8

4DSPQ-L2

147

123

0.63

ZT6.5.27-9

1DSPQ-L3

63

33

15

0.27

ZT6.5.27-10

2DSPQ-L3

100

70

0.44

ZT6.5.27-11

3DSPQ-L3

137

107

0.60

ZT6.5.27-12

4DSPQ-L3

174

144

0.77

ZT6.5.27-13

1DSPQ-L4

72

42

0.31

ZT6.5.27-14

2DSPQ-L4

118

88

0.51

标记示例:分配器支架 1DSPQ-L1 ZT6.5.27-1