一、概述
KS系列双线分配器适用于公称压力为20MPa双线式干油集中润滑系统中,作为一种计量给油装置它在两条供油主管交替的供油压力作用下,直接由供油压力控制活塞动作给油,完成向润滑点定量分配润滑脂的功能。
该系列双线分配器出油口均布在底面,分配器活塞正反向动作均从同一给油口排出润滑脂,还可以从指示杆的动作直接观察分配器的工作情况,同时还可通过调整螺钉在规定的范围内方便地调整各个出油口的给油量。
二、技术参数
|
型 号
|
出油口数
|
公称压力
MPa
|
给油量
mL/ 循环
|
调整螺钉每转一圈
的调整量mL
|
重量
kg
|
|
KS-31
|
1
|
20
|
0.2~1.2
|
0.06
|
0.8
|
|
KS-32
|
2
|
1.4
|
|
KS-33
|
3
|
1.8
|
|
KS-34
|
4
|
2.3
|
|
KS-41
|
1
|
0.6~2.5
|
0.10
|
1.0
|
|
KS-42
|
2
|
1.9
|
|
KS-43
|
3
|
2.7
|
|
KS-44
|
4
|
3.2
|
|
KS-51
|
1
|
1.2~5.0
|
0.15
|
1.4
|
|
KS-52
|
2
|
2.4
|
|
KS-53
|
3
|
3.5
|
|
KS-54
|
4
|
4.6
|
|
KS-61
|
1
|
3.0~14.0
|
0.68
|
2.4
|
|
KS-62
|
2
|
4.2
|
|
KS-62-1
|
1
|
6.0~28.0
|
4.2
|
适用介质为锥入度不低于265(25℃,150g)1/10mm润滑脂(NLGI0#~1#)或粘度等级大于N68的润滑油;使用环境温度为-10℃~+80℃,使用介质为润滑油时,可在10MPa压力下使用。
三、型号说明

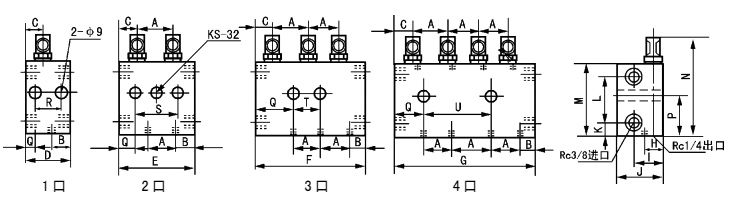
四、外形尺寸

|
型号
|
A
|
B
|
C
|
D
|
E
|
F
|
G
|
H
|
I
|
J
|
K
|
L
|
M
|
N
|
P
|
Q
|
R
|
S
|
T
|
U
|
|
KS-31
|
-
|
8
|
21.5
|
44
|
-
|
-
|
-
|
10
|
26
|
38
|
11.5
|
42
|
65
|
101.5
|
39
|
10
|
24
|
-
|
-
|
-
|
|
KS-32、33、34
|
29
|
8
|
21.5
|
-
|
73
|
102
|
131
|
10
|
26
|
38
|
11.5
|
42
|
65
|
101.5
|
41
|
36.5
|
-
|
-
|
29
|
58
|
|
KS-40
|
32
|
9
|
24
|
49
|
81
|
113
|
145
|
10.5
|
28.5
|
40
|
11
|
54
|
76
|
126
|
48
|
10.5
|
28
|
60
|
91
|
123
|
|
KS-50
|
37
|
9
|
25.5
|
53
|
90
|
127
|
164
|
12
|
33
|
45
|
13
|
57
|
83
|
136
|
53
|
10
|
33
|
70
|
107
|
144
|
|
KS-60
|
46
|
10
|
29
|
62
|
108
|
-
|
-
|
20
|
45
|
57
|
16
|
57
|
89
|
151
|
56
|
10
|
42
|
88
|
-
|
-
|
KS-32 的安装孔只有一个;KS-62-1 的尺寸同 KS-62,但 B 尺寸位置的出油口无。
五、订货须知
分配器安装使用环境温度在 -10℃~+80℃以外的必须在订货合同中注明,以便供货时使用耐低、高温油封。 |