您好,欢迎启东市神舟润滑设备制造有限公司!

全国服务热线:0513-83227070

子页面大图广告
启东市神舟润滑设备制造有限公司

地址:启东市惠萍镇西侧工业园区

电话:0513-83227070
    0513-83797070

传真:0513-83223806

手机:13016796801
    13584729328

您当前的位置:首页 >> 给油器、双线分配器 >> VSKV-KR系列双线分配器(40MPa)
 
VSKV-KR系列双线分配器(40MPa)

 加入时间:2018-5-24 9:10:15  

一、概述
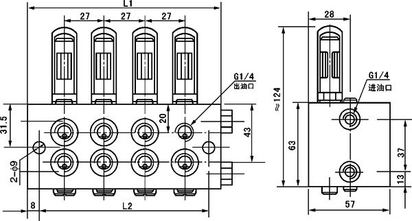
      VSKV-KR型双线分配器正面设上下二排出油口,分配器活塞正反向动作时分别从上排和下排的出油口排出润滑脂。还可以从指示杆的动作直接观察分配器的工作情况,并可通过调整螺钉在规定范围内调整出油口的给油量。
      该型分配器适用于公称压力为40MPa的双线式干油集中润滑系统中,它在两条供油主管交替的供油的压力作用下,直接由供油压力控制活塞动作给油,完成向润滑点定量分配润滑脂的功能。
 


二、技术参数

型  号

公称压力
MPa

动作压力
MPa

额定给油量
mL/循环

调整螺钉每转
一圈调整量mL

VSKV※-KR

40

≤1.5

0~1.5

0.05

      使用介质为锥入度不低于265(25℃,150g)1/10mm的润滑脂(NLG10#~2#)或粘度等级大于N68的润滑油;使用环境温度为-10~80℃;使用介质为润滑油时,请在20MPa压力下使用。

三、型号标注说明


四、外形尺寸

型  号

VSKV2-KR

VSKV4-KR

VSKV6-KR

VSKV8-KR

L1

52

80

108

136

L2

36

64

92

120

 
 


五、订货须知
      分配器安装使用环境温度在-10~80℃以外的必须在订货合同中注明。以便供货时提供耐低、高温油封。