一、概述
片式给油器适用于小型机器设备的干油集中润滑系统中,与单线干油泵或多点干油泵配合使用,组成单线集中润滑系统,可自动向最多约100个润滑点定时、定量地供送润滑脂。每块给油器上均设有指示装置,可及时检查出油情况。
二、技术参数
|
型 号
|
组合
片数
|
给油
孔数
|
公称压力
MPa
|
每孔给油量
mL/每循环
|
重量
kg
|
|
PSQ-31
|
3
|
6
|
10
|
0.15
|
0.9
|
|
PSQ-41
|
4
|
8
|
1.2
|
|
PSQ-51
|
5
|
10
|
1.5
|
|
PSQ-61
|
6
|
12
|
1.8
|
|
PSQ-31A
|
3
|
6
|
0.3
|
0.9
|
|
PSQ-41A
|
4
|
8
|
1.2
|
|
PSQ-51A
|
5
|
10
|
1.5
|
|
PSQ-61A
|
6
|
12
|
1.8
|
|
PSQ-33
|
3
|
6
|
0.5
|
6.8
|
|
PSQ-43
|
4
|
8
|
11.3
|
|
PSQ-53
|
5
|
10
|
12.2
|
|
PSQ-63
|
6
|
12
|
13.7
|
|
PSQ-33A
|
3
|
6
|
1.2
|
6.8
|
|
PSQ-43A
|
4
|
8
|
11.3
|
|
PSQ-53A
|
5
|
10
|
12.2
|
|
PSQ-63A
|
6
|
12
|
13.7
|
|
PSQ-33B
|
3
|
6
|
2.0
|
6.8
|
|
PSQ-43B
|
4
|
8
|
11.3
|
|
PSQ-53B
|
5
|
10
|
12.2
|
|
PSQ-63B
|
6
|
12
|
13.7
|
使用介质为锥入度不低于265(25℃,150g)1/10mm的润滑脂。
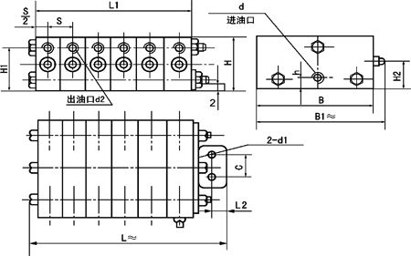
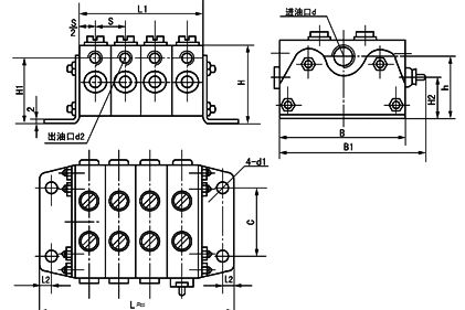
三、外形尺寸
PSQ-※1系列外形图

PSQ-※3系列外形图

|
型号
|
B
|
B1≈
|
C
|
L≈
|
L1
|
H
|
H1
|
H2
|
h
|
S
|
d
|
d1
|
d2
|
L2
|
|
PSQ-31
|
70
|
75/81
|
15
|
70
|
48
|
38
|
31
|
18
|
8
|
16
|
M10×1
|
7
|
M10×1
|
9
|
|
PSQ-41
|
86
|
64
|
|
PSQ-51
|
102
|
80
|
|
PSQ-61
|
118
|
96
|
|
PSQ-33
|
100
|
123/133
|
60
|
135
|
75
|
68
|
57.5
|
30
|
54.5
|
25
|
M18×1.5
|
9
|
M14×1.5
|
10
|
|
PSQ-43
|
160
|
100
|
|
PSQ-53
|
185
|
125
|
|
PSQ-63
|
210
|
150
|
四、使用说明
1、给油器出油情况可通过观察指示装置进行检查,也可装设电气行程开关监控。
2、如某些润滑点需要的润滑脂量大于表列数值,可将给油器任意组合(见下图)。使供油量成倍增加。
PSQ-61 PSQ-63A
 |