一、概述
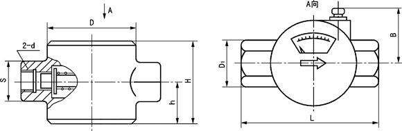
YXQ-II型油流信号器用于稀油润滑系统。通过它可直观地观察到油流大小,并可通过其发讯装置发出油量不足或 断流信号,从而实现远距离监视或控制,适用介质为粘度等级 N22~N460 的润滑油。
通径 DN10~DN50 为螺纹连接,DN80 为法兰连接。
公称压力为 0.4MPa
二、技术参数及外形尺寸

|
型号
|
公称通径
DN
|
公称压力
MPa
|
连接螺纹
d
|
L
|
D
|
H
|
h
|
B
|
D1
|
S
|
重量
kg
|
|
YXQ-10II
|
10
|
0.4
|
G3/8
|
136
|
80
|
71
|
30
|
75
|
47.3
|
41
|
2.1
|
|
YXQ-15II
|
15
|
0.4
|
G1/2
|
136
|
80
|
71
|
30
|
75
|
47.3
|
41
|
2.1
|
|
YXQ-20II
|
20
|
0.4
|
G3/4
|
136
|
80
|
71
|
30
|
75
|
52
|
47
|
3.5
|
|
YXQ-25II
|
25
|
0.4
|
G1
|
160
|
100
|
96
|
35
|
85
|
60
|
52
|
3.8
|
|
YXQ-32II
|
32
|
0.4
|
G1 1/4
|
160
|
100
|
101
|
40
|
85
|
66
|
58
|
4.2
|
|
YXQ-40II
|
40
|
0.4
|
G1 1/2
|
190
|
110
|
101
|
45
|
90
|
76
|
66
|
4.5
|
|
YXQ-50II
|
50
|
0.4
|
G2
|
200
|
110
|
112
|
50
|
90
|
92
|
80
|
4.8
|
|
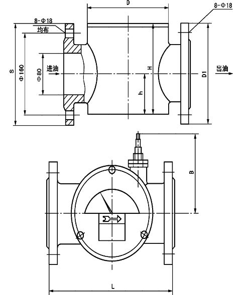
YXQ-80II
|
80
|
0.4
|
法兰 DN80
|
260
|
170
|
190
|
80
|
~140
|
φ 200
|
φ 200
|
~9.8
|
三、型号说明

四、电器参数
 |
DN10~50、80 |
| 开关型式 |
交流二线制90~250V |
直流二线制10~30V |
直流三线制6~30V(NPN型) |
直流三线制6~30V(PNP型) |
| 应用场合 |
带动交流线圈、交流信号灯等 |
带动直流线圈、直流信号灯等 |
输入PLC(输入模块为NPN型) |
输入PLC(输入模块为PNP型) |
| 输出形式 |
常开 |
常开 |
常开 |
常开 |
| 输出电流 |
3~200mA |
5~50mA |
0~200mA |
0~200mA |
| 漏电流 |
1r≤3mA |
1r≤1mA |
1r≤0.5mA |
1r≤0.5mA |
| 开关压降 |
Ud≤4V |
Ud≤4V |
Ud≤0.1Vcc |
Ud≤0.1Vcc |
| 接线图 |
 |
 |
 |
 |

YXQ-80 Ⅱ外形尺寸
五、注意事项
1、油流方向必须与油流信号器指示方向一致;
2、开关必须通过负载后接至电源,如直接接至电源将造成开关击穿损坏。
3、开关输出如果需要常闭形式或输出电流有特殊要求应有定货时注时,用户在订货时如不注明接近开关型式,则 配置 PNP 型直流三线制接近开关。
4、选型时必须根据电器参数表中的应用场合选型。
六、接近开关输出形式
a、直流三线型 10-30VDC。其静消耗〈5mA,输出电流≤ 200mA,输出压降≤ 1.5VDC,响应频率 ≤ 300Hz。
b、直流二线型 10-30VDC。其静消耗〈1mA,输出电流≤ 100mA,输出压降≤ 5VDC,响应频率≤ 300Hz。
c、交流二线型 90-250VAC。其静消耗〈2mA,输出电流≤ 300mA,输出压降≤ 8VAC,响应频率≤ 30Hz。
七、注意事项说明
1.只有当系统断流或者说是油液接而不断地通过油流信号器,才能使发讯装置能正确地发出信号,否则不能实现 发信功能。
2.安装油流信号器应看清其油流方向,并且水平放置,不能垂直安装,更不能倒置。
3.相对应的连接外螺纹长度不能大于本信号器体的内螺纹长度,一般不得超过 16mm,以防外接螺纹与信号器体阀 芯发生顶撞,从面影响使用效果。
4.关于指针零位概念作一说明:这就是说系统内不存在压力(或者说是完全卸负)的情况下,指针回复趋于零,当系统(油流信号器进口的前端)存在一定的压力,甚至是很小值,那么指针有一定的读数,这一点,务请用户引起 理解! |