您好,欢迎启东市神舟润滑设备制造有限公司!

全国服务热线:0513-83227070

子页面大图广告
启东市神舟润滑设备制造有限公司

地址:启东市惠萍镇西侧工业园区

电话:0513-83227070
    0513-83797070

传真:0513-83223806

手机:13016796801
    13584729328

您当前的位置:首页 >> 压力操纵控制换向阀... >> GJQ系列干油压力表减震器(10MPa)
 
GJQ系列干油压力表减震器(10MPa)

 加入时间:2018-5-24 9:38:54  

一、概述
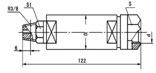
       GJQ型干油压力表减震器适用于公称压力为10MPa的润滑系统中,安装在压力表前端,用来减少对压力表指针受压力润滑脂的影响而产生波动和防止润滑脂进入压力表。

二、技术参数

型 号

公称压力
MPa

d

尺 寸

重 量
kg

D

S

S1

GJQ-J14

10(J)

M14×1.5-6H

32

22

22

0.47

GJQ-J20

M20×1.5-6H

32

0.52

三、外形尺寸