您好,欢迎启东市神舟润滑设备制造有限公司!

全国服务热线:0513-83227070

子页面大图广告
启东市神舟润滑设备制造有限公司

地址:启东市惠萍镇西侧工业园区

电话:0513-83227070
    0513-83797070

传真:0513-83223806

手机:13016796801
    13584729328

您当前的位置:首页 >> 油气润滑 >> YQ-2型双线油气润滑装置
 
YQ-2型双线油气润滑装置

 加入时间:2018-5-21 9:40:27  

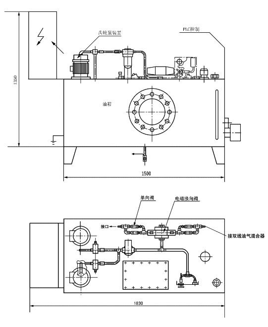
一、概述
  YQ-2型双线油气润滑装置为一种双线型系统,由油气站,空气操作盘和多个双线油气混合器组成。油气站包括齿轮泵、安全阀、过滤器、电磁换向阀和PLC电气控制柜,系统工作时,压力油经齿轮泵压出,经电磁换向阀进入油气混合块。油气混合块包括双线分配器和混合器两部分,油在分配器中被定量分配后压入混合器,在混合器中,定量的油在不间断压缩空气的作用下进入润滑点。双线分配器的两个进油口一个进油,则另一个回油,由电磁换向阀切换。

二、系统原理

三、双线油气润滑站

技术参数

 

型号

公称压力

MPa

空气压力

MPa

油箱容积

L

供油量

mL/min

电 机

YQ-2

3

0.3-0.5

500

500

2×0.25KW 380V 50Hz

外形尺寸

四、双线油气混合器

概述

  双线油气混合器由一个或多个双线分配器和一个混合块组成,油在分配器中定量分配后,通过不间断压缩空气进入润滑点。

技术参数

 

型  号

公称压力

MPa

开启压力

MPa

空气压力

MPa

空气耗量

L/min

出油口数

SZQ2-2

3

0.8-0.9

0.3-0.5

20

2

SZQ2-4

4

SZQ2-6

6

SZQ2-8

8

外形尺寸