您好,欢迎启东市神舟润滑设备制造有限公司!

全国服务热线:0513-83227070

子页面大图广告
启东市神舟润滑设备制造有限公司

地址:启东市惠萍镇西侧工业园区

电话:0513-83227070
    0513-83797070

传真:0513-83223806

手机:13016796801
    13584729328

您当前的位置:首页 >> 油气润滑 >> 微型油气润滑系统
 
微型油气润滑系统

 加入时间:2018-5-21 9:43:27  

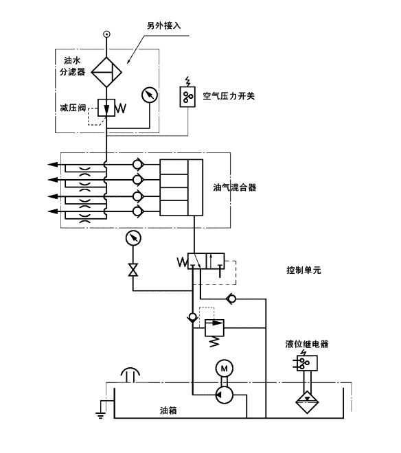
一、概述
  微型油气润滑系统(德国VOGEL)结构精巧,安装方便,特别适合润滑的点少或者比较分散等选用其他油气润滑系统不经济的场合。安装中只需要引入压缩空气管路和电源即可。

二、技术参数

输出流量

0.2L/min

温度范围

10~40℃

公称压力

28bar

电机功率

120W

油箱容积

2.7L

电机参数

220V,50Hz

介质粘度等级

N32~N150

油气输出点数目

3、4、5、6、7、8点

三、外形尺寸

 

四、油气混合块
概述
  油气混合器是整个装置的一个组件,设有一个进气口和一个进油口,输出流量有0.01,0.03,0.06及0.1mL几种规格可选,输出点数目从2,3,4,5,6,7,8点可选;如果系统需要的润滑点数目超过8点,请另加混合块。

 

型 号

SA202

SA203

SA204

SA205

SA206

SA207

SA208

输出点数目

2

3

4

5

6

7

8

每点供油量

0.01mL,0.03mL,0.06mL,0.10mL

L

60

80

100

120

140

160

180

L1

30

50

70

90

110

130

150

最低空气压力

3bar

最低油压

输出油流量为0.01mL时:17bar

输出油流量为0.03、0.06及0.1mL时:13bar

系统图